rada na alu kola

Moderátor: Moderátoři

mates.1
Příspěvky: 6
Registrován: 27 lis 2009, 16:43

rada na alu kola

Příspěvek od mates.1 »

ahoj
koupil jsem opel vectra b kombi 2.0tdi 16v r.v 1999.Jsem velmi spokojen ale potřebuji poradit
CHci jsi koupit alu kola a nikdo me nedovede říc jaký mam hledat ty ráfky jaká čísla třeba 15*7 (5*110),volal jsem do 3 obchodu a nic v techničáku mám jenom napsaný kola -6j *15et 49,gumy 195/65r1589h,205/60r1589h to je vše.PROSIM PORADTE DĚKUJI
Reklama
 

adam09
Příspěvky: 374
Registrován: 01 led 2009, 23:50
Kontaktovat uživatele:

Re: rada na alu kola

Příspěvek od adam09 »

a nemáš v techničáku dole v poznámkách něco napsáno o kolech ?
Opel Astra coupe bertone 2,2 16V
DIAGNOSTIKA OPEL Kladno,PRAHA kdyby tak SZ
Náhradní díly nové i starší na OPEL
mates.1
Příspěvky: 6
Registrován: 27 lis 2009, 16:43

Re: rada na alu kola

Příspěvek od mates.1 »

dole je jenom napsáno toto-
povolené alternativní použití pneumatik a ráfku-
205/60 r 15 89 h 6j*15 et 49
205/55 r 16 89 h 6j*16 et 44

to je vše takže nic nevim.dík
adam09
Příspěvky: 374
Registrován: 01 led 2009, 23:50
Kontaktovat uživatele:

Re: rada na alu kola

Příspěvek od adam09 »

Já být tebou tak si koupím originály OPEL, nevypadjí špatně a jsou kvalitní a tvým rozměrům vyhovují:
např

16" 4400,- http://www.aukro.cz/item830137703_opel_ ... ml#gallery
15" 4500,- http://www.aukro.cz/item826362025_sada_ ... ml#gallery
15" 4500,- http://www.aukro.cz/item832194536_alu_k ... ml#gallery
Opel Astra coupe bertone 2,2 16V
DIAGNOSTIKA OPEL Kladno,PRAHA kdyby tak SZ
Náhradní díly nové i starší na OPEL
jirka
Příspěvky: 12
Registrován: 14 zář 2009, 21:01

Re: rada na alu kola

Příspěvek od jirka »

mates.1 píše:opel vectra b kombi 2.0tdi 16v r.v 1999.
....v techničáku mám jenom napsaný kola -6j *15et 49,gumy 195/65r1589h,205/60r1589h to je vše.

dole je jenom napsáno toto-
povolené alternativní použití pneumatik a ráfku-
205/60 r 15 89 h 6j*15 et 49
205/55 r 16 89 h 6j*16 et 44

to je vše takže nic nevim.dík
možná jsem přesně nepochopil otázku, ale vždyť ty rozměry (6j*15et 49) sem opisuješ, takže by neměl být problém.. Podle tohoto webu má vectra B šrouby 4*100, to snadno ověříš, když se na kolo podíváš - buď máš šrouby 4, nebo 5 (pak bys měl rozteč 5*110)..
Takže podle mě hledáš kola 6J*15, 4*100, ET49, nebo 6J*16, 4*100, ET 44. Samozřejmě, pokud se chceš řídit techničákem..
Uživatelský avatar
mexxo
Příspěvky: 108
Registrován: 05 lis 2008, 07:46
Bydliště: Dubnica nad Váhom

Re: rada na alu kola

Příspěvek od mexxo »

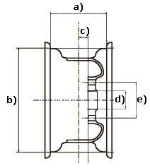
Správne. Máš tam vlastne skoro všetko. Tu máš popis pre ujasnenie:
disk.jpg
disk.jpg (22.42 KiB) Zobrazeno 11220 x
a) šírka kola
b) priemer kola
c) ET (zális kola)
d) stredová diera
e) rozteč
6jx15 - rozmer kolesa. 6 je šírka kola v palcoch, 15 je priemer disku
5x110 - počet šróbov x rozteč - u kolesa s 4 dierami sa meria rozteč šróbov, u 5 dierového kolesa se meria priemer kružnice pretínajúcej stredy šróbov.
ET49 - hodnota ET (zális) je v mm a je to vzdialenost medzi rovinou precházajúcou stredom disku a dosadacou plochou disku. Čím väčšia je hodnota ET, tým viac je koleso v podbehu a naopak.

Čo sa týka pneumatiky velkosť pneu 195/65 R15 89 H znamená toto:
195 Šírka pneumatiky v milimetroch
65 Pomer výšky pneu k šírke v percentách = profil pneumatiky v % šírky
R Typ konštrukcie kostry ("R" radiálna, "D" diagonálna, "B" bias belted)
15 Priemer príslušného disku v palcoch
89 Hmotnostný index
H Rýchlostný index

Opel používa väčšinou (corsa, meriva, kadett, astra, zafira, calibra, vectra, omega, signum) rozteč 4x100 a 5x110.
Pozor si daj ešte na stredovú dieru. Opel na astre a vectre má 56,6mm. Ak bude väčšia, treba strediace krúžky, ak bude menšia, máš smolu :?
Takže by som ti doporučil to čo adam09, kúpiť kola z nejakého opla ;)
mates.1
Příspěvky: 6
Registrován: 27 lis 2009, 16:43

Re: rada na alu kola

Příspěvek od mates.1 »

Chlapi díky už vše chápu ale eště fur váham s 2 vecma
1-Jak poznám moji středovou díru mám ju změřit posuvkou na plecháči jestli je to teda stejné s hliníkáči
2- Dám asi 16 a v techničáku mě to napišou na uřadě co mislíte
adam09
Příspěvky: 374
Registrován: 01 led 2009, 23:50
Kontaktovat uživatele:

Re: rada na alu kola

Příspěvek od adam09 »

kola ti do TP zapíšou jen dle typového listové ke kolům, většinou nové kola. Změř střed na autě a uvidíš.
Opel Astra coupe bertone 2,2 16V
DIAGNOSTIKA OPEL Kladno,PRAHA kdyby tak SZ
Náhradní díly nové i starší na OPEL
Uživatelský avatar
mexxo
Příspěvky: 108
Registrován: 05 lis 2008, 07:46
Bydliště: Dubnica nad Váhom

Re: rada na alu kola

Příspěvek od mexxo »

mates.1 píše:dole je jenom napsáno toto-
povolené alternativní použití pneumatik a ráfku-
205/60 r 15 89 h 6j*15 et 49
205/55 r 16 89 h 6j*16 et 44
16ky máš zapísané v poznámkach, takže No problem. :ugeek:
;)
Miro
Moderátor
Příspěvky: 1296
Registrován: 07 lis 2008, 23:55
Bydliště: Rumburk - LOC 50°57'5.428"N, 14°33'25.161"E
Kontaktovat uživatele:

Re: rada na alu kola

Příspěvek od Miro »

16" je na Vectru malo, kup 17" gumu s profilem 45 a na komfortu to nijak neztratí ;)
Pohřební služba ANUBIS - Vaše smrt naše živobytí.
Odpovědět

Zpět na „Vectra B“