Corsa C - blinkry
Moderátor: Moderátoři
Corsa C - blinkry
Zdravím,
dnes při výměně předních světlometů, mi nastal problém s blinkry.
Když dám blinkr vlevo nebo vpravo, tak na palubovce bliká a tiká rychle a venku vůbec nebliká. Když dám trojúhelník, tak tiká a bliká na palubovce normální rychlostí, venku blinkry stále neblikají. Neblikají dokonce ani když auto na dálku odemknu nebo zamknu. Když tam napojím předchozí světlomety je to stejné. Než jsem vyměnil světla tak to jelo v pořádku. Pojistky jsem kontroval a všechny jsou v pořádku. Nenapadá někoho čím by to mohlo být?
Díky
dnes při výměně předních světlometů, mi nastal problém s blinkry.
Když dám blinkr vlevo nebo vpravo, tak na palubovce bliká a tiká rychle a venku vůbec nebliká. Když dám trojúhelník, tak tiká a bliká na palubovce normální rychlostí, venku blinkry stále neblikají. Neblikají dokonce ani když auto na dálku odemknu nebo zamknu. Když tam napojím předchozí světlomety je to stejné. Než jsem vyměnil světla tak to jelo v pořádku. Pojistky jsem kontroval a všechny jsou v pořádku. Nenapadá někoho čím by to mohlo být?
Díky
Opel Corsa C 1.4 16V
- Reklama
Re: Corsa C - blinkry
no.. bud jsi nezapojil zásuvky nebo máš špatné žárovky(což by blo dost divny)... popřípadě by to mohla být kabeláž a neblikají ti jen přední nebo i zadní? pokud i zadní tak bych asi hledal problém v pojistkách (lepčsí je jednu po druhe vytahnout a zkontrolovat popř proměřit.. taky jsem takto jednou bádal proč mi něco nejede a ona pojistka i když zvrchu vypadala ok
) nebo ukostření.. zkus proměřit kostru a (+) co jde přímmo do žárovky.. a podle toho uvidíš co je špatně
Astra F 1,6 8v původně 52kW (X16SZ) r.v.1995
Re: Corsa C - blinkry
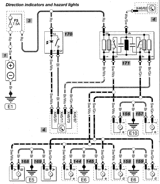
Vše by mělo být zapojené, bylo to několikrát kontrolováno. Přestali blikat úplně všechny (přední, boční i zadní). Všechny pojistky jsem prošel a vypadali OK. Když vytáhnu 7,5A pojistku na 3 pozici, což by měla být podle návodu na výstražné světla. Tak přestane být slyšet při zapnutých výstražných přepínání relátka, takže ta pojistka bude asi v pořádku. Když jsem procházel celé el. schéma tak jsem zjistil, že by to mělo být celé průchozí, protože na palubovce indikace bliká a ta má stejný výstup ze všech relátek, jako žárovka.
- Přílohy
-
- Legenda k schématu
- 2.png (115.15 KiB) Zobrazeno 10638 x
-
- 1.png (123.65 KiB) Zobrazeno 10638 x
Opel Corsa C 1.4 16V
- Mike.S
- Příspěvky: 249
- Registrován: 01 lis 2008, 22:47
- Bydliště: Slovácko - Podluží
- Kontaktovat uživatele:
Re: Corsa C - blinkry
jde Ti napětí na patice žárovek? co to relé, je v pořádku? to bude chtít multimetr do ruky a měřit a měřit
Old cars:
Škoda 120L
Škoda Felicia Combi LXi
Actual car:

..........Holden Zafira|1.8 16V|Z18XE|by Mike.S.........
Škoda 120L
Škoda Felicia Combi LXi
Actual car:

..........Holden Zafira|1.8 16V|Z18XE|by Mike.S.........
Re: Corsa C - blinkry
Multimetr mám, takže dneska půjdu měřit. Divné ale je, že i když tam vrátím ty původní světla, tak to taky nejde.
Opel Corsa C 1.4 16V
Re: Corsa C - blinkry
v tom případě by to mohla být někde přerušená kabeláž.. což asi nebude páč levá a pravá strana má svoje drátky, takže asi zkontroluj funkci toho relátka.(múže mít opálený kontakty)
Astra F 1,6 8v původně 52kW (X16SZ) r.v.1995
Re: Corsa C - blinkry
Vrátili jsem se od auta, a stále problém přetrvává. Pojistka je v pořádku, všechny ostatní taky (vše proměřeno multimetrem). Relátka nad pojistkovou skříní u řídící jednotky cvakají, prozkoušeli jsme je a také fungují. Měřili jsme napětí na konektoru do světla a tam žádné nebylo, ani při zapnutí blinkrů. Nenapadá někoho co by to mohlo ještě způsobovat? Díky
Opel Corsa C 1.4 16V
- Mike.S
- Příspěvky: 249
- Registrován: 01 lis 2008, 22:47
- Bydliště: Slovácko - Podluží
- Kontaktovat uživatele:
Re: Corsa C - blinkry
v tom případě běž po drátech od světla a v každém konektoru měř napětí, někde musíš míc něco rozpojeného nebo přerušený vodič, jinak to nevidím
Old cars:
Škoda 120L
Škoda Felicia Combi LXi
Actual car:

..........Holden Zafira|1.8 16V|Z18XE|by Mike.S.........
Škoda 120L
Škoda Felicia Combi LXi
Actual car:

..........Holden Zafira|1.8 16V|Z18XE|by Mike.S.........
Re: Corsa C - blinkry
jak říká mike.S zkontrolovat vodiče a nebo ještě vyzkoušej popř pokud můžeš zkusit vyměnit z jiné corsy tlačítko výstražných... ... a jestě jedna věc stalo se ti to při výměně světel nebo jsi na autě dělal ještě něco?
Astra F 1,6 8v původně 52kW (X16SZ) r.v.1995
- Mike.S
- Příspěvky: 249
- Registrován: 01 lis 2008, 22:47
- Bydliště: Slovácko - Podluží
- Kontaktovat uživatele:
Re: Corsa C - blinkry
tlačítko výstražných na to asi nebude mít vliv, problém bych spíš viděl v multi-timeru ...
Old cars:
Škoda 120L
Škoda Felicia Combi LXi
Actual car:

..........Holden Zafira|1.8 16V|Z18XE|by Mike.S.........
Škoda 120L
Škoda Felicia Combi LXi
Actual car:

..........Holden Zafira|1.8 16V|Z18XE|by Mike.S.........