Nestartuje-při 4500 ot. začne přeskakovat jako při 6500.
Moderátor: Moderátoři
Nestartuje-při 4500 ot. začne přeskakovat jako při 6500.
Zdravím,
Vůz: opel vectra b 2.0i 16v 1995 (benzín)
Problém:
otočím klíčkem a dlouho točí, potom stěží nastartuje pak jede vše ok ale když vytočím motor na 4500 ot. motor začne přeskakovat jako při továrních 6500 ot. (jako při továrním nastavení červená zona).
vyměnil jsem čidlo na vačkach, komplet jsem vyčistil sani + paliva,krokovy motorek,zaslepil EGR ventil, vymenil filtry.
Zkontroloval jsem jestli tlačí benzín vše ok.
Napadlo me ze by to mohla byt lambda sonda ale ta potvora je tak pripecena ze nejde oddelat..
Vedel by nekdo poradit co s tim je...budu rad za kazdou radu...nevim co uz by mohlo byt spatne napada me uz jen ta lambda nebo preskocene zuby na remeni...
Jo a na přístrojovce se mi rozviti kontrolka od motoru...
a benzinovy filtr jsem nikde nenasel...
Vůz: opel vectra b 2.0i 16v 1995 (benzín)
Problém:
otočím klíčkem a dlouho točí, potom stěží nastartuje pak jede vše ok ale když vytočím motor na 4500 ot. motor začne přeskakovat jako při továrních 6500 ot. (jako při továrním nastavení červená zona).
vyměnil jsem čidlo na vačkach, komplet jsem vyčistil sani + paliva,krokovy motorek,zaslepil EGR ventil, vymenil filtry.
Zkontroloval jsem jestli tlačí benzín vše ok.
Napadlo me ze by to mohla byt lambda sonda ale ta potvora je tak pripecena ze nejde oddelat..
Vedel by nekdo poradit co s tim je...budu rad za kazdou radu...nevim co uz by mohlo byt spatne napada me uz jen ta lambda nebo preskocene zuby na remeni...
Jo a na přístrojovce se mi rozviti kontrolka od motoru...
a benzinovy filtr jsem nikde nenasel...
Naposledy upravil(a) mydoom dne 01 črc 2011, 20:28, celkem upraveno 1 x.
- Reklama
Re: Nestartuje-při 4500 ot. začne přeskakovat jako při 6500.
skoušels měnit i benzínovej filtr ten pod autem
levá strana pod autem u nádrže takovej stříbrnej válec je v objímce.
VB 1.6 16V 74 KW 1996 -ex
škoda octávie combi 1.9 TDI 81KW
škoda octávie combi 1.6 SR 74 KW
škoda octávie combi 1.9 TDI 81KW
škoda octávie combi 1.6 SR 74 KW
Re: Nestartuje-při 4500 ot. začne přeskakovat jako při 6500.
to že se rozsvěcí kontrolka motoru značí že to padá do nouzovýho režimu chtělo by to někoho s diagnostikou aby vyčet chyby 
VB 1.6 16V 74 KW 1996 -ex
škoda octávie combi 1.9 TDI 81KW
škoda octávie combi 1.6 SR 74 KW
škoda octávie combi 1.9 TDI 81KW
škoda octávie combi 1.6 SR 74 KW
Re: Nestartuje-při 4500 ot. začne přeskakovat jako při 6500.
benzin jede pekne a filtr jsem nikde nenasel sel jsem po cele trase hadicek ale nikde neni asi jsem debil ale proste tam nikde neni,ale benzinem to neni ten jede jak blazen...bude chyba jinde asi uz nezbyva nez diagnostika
Re: Nestartuje-při 4500 ot. začne přeskakovat jako při 6500.
Něco podobného se dělo kamarádovi, když měl starý benzín. Měl ho tam v klidu asi 2 možná 3 měsíce a pak se divil, že mu to nechytá a při 4500 ot/min mu to začalo kašlat a ztratilo to jakoukoliv vůli k tahu 
Re: Nestartuje-při 4500 ot. začne přeskakovat jako při 6500.
pokud se to hodí do nouzáku tak při 4500 ot. to začne dělat takové to din din jako při 6500 ot. připada mi to jako kdyby netlačil benzin ale tlačí ho tak nevím zkoušel jsem to....diagnostiku jsem si koupil přímo na opel tak uvidím co mi to napíše nenapíše...
Re: Nestartuje-při 4500 ot. začne přeskakovat jako při 6500.
pise to kliku senzor ale ten jsem vymenil 3x a nic a dokonce mi sepina rele na benzin a kvuli toho vrni krokovy motorek tak ted uz fakt nevim na opravu nemam prachy.
Re: Nestartuje-při 4500 ot. začne přeskakovat jako při 6500.
A použil jsi opravdu sprívný senzor ot kliky?Dost často se zamění za nesprávný.
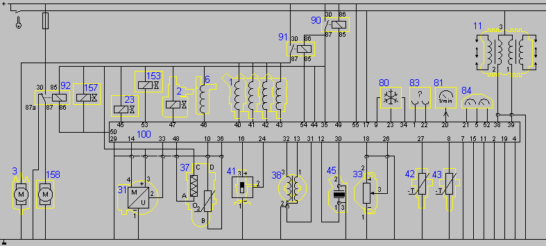
Takto musí vypadat jeho konektor
http://autokelly.cz/#PATH=3761801;97;14 ... ST=0|LNG=0|
Často se zamění za tento a na něj to nepojede.
http://autokelly.cz/#PATH=3761801;97;14 ... ST=0|LNG=0|
Pak je taky nutno změřit,jestli nejsou přerušené vodiče do jednotky.
Jsou to piny 16 a 24
Takto musí vypadat jeho konektor
http://autokelly.cz/#PATH=3761801;97;14 ... ST=0|LNG=0|
Často se zamění za tento a na něj to nepojede.
http://autokelly.cz/#PATH=3761801;97;14 ... ST=0|LNG=0|
Pak je taky nutno změřit,jestli nejsou přerušené vodiče do jednotky.
Jsou to piny 16 a 24
- Přílohy
-
- 56sim06_tif_dba_electude.gif (15.25 KiB) Zobrazeno 8737 x
Re: Nestartuje-při 4500 ot. začne přeskakovat jako při 6500.
Ahoj denny,
Problem je asi takový.
Dneska jsem se v tom opet stoural a cidlo na klice je opravdu v haji.Mam plno kramu s predesle vectry b a nasel jsem tam cidlo kliky s calibry tak jsem ho tam hvizdnul ale stale stejny problem.
Dalsi vec je ta ze na vstrikach (vsech 4-ech) mam napeti jen 4.2v a to same mam i na rozdelovaci a na jednom je 12.8v. (tedy kdyz se na nej podivas s pohledu zapojeneho v rozdelovaci z leva tak prvni a druhy je 4.4v a ten treti je tech 12v)
Dalsi problem ktery se mi naskytl je ze rele benzinu je stale sepnute a bzuci mi krokovy motorek dost hlasite i pri vymene krokace to bzuci.
zkousel jsem tedy vzit cidlo a ono nekdy slo tak mi spinalo druhe rele na palivo a davalo mi to benzin jinak ne a pri toceni motorem to vlastne taky nedodava benzin.
takze zhrnu problemy na vstrikach 4.2v na rozdelovaci 2x 4.2v a 1x 12.8v pak bzuci krokovy motorek protoze je seple rele benzinu a posledni vec je ta ze mi diagnostika vypsala chybu 1230 (coz je spatne napajeni na rele cerpadla a ridici jednotky)
zrejme se asi vyznas tak jake napeti by tedy melo byt na tech vstricich a na tom rozdelovaci jsem elektrikar slaboproud ale tady si nejsem poradne jist neni to pro me cizi ale podle me civka s 4.4v udela max 5 kv coz je malo pro vyboj, vyboj je od 22kv a vyse...
Dekuji za jakoukoliv radu diky moc za schema
Problem je asi takový.
Dneska jsem se v tom opet stoural a cidlo na klice je opravdu v haji.Mam plno kramu s predesle vectry b a nasel jsem tam cidlo kliky s calibry tak jsem ho tam hvizdnul ale stale stejny problem.
Dalsi vec je ta ze na vstrikach (vsech 4-ech) mam napeti jen 4.2v a to same mam i na rozdelovaci a na jednom je 12.8v. (tedy kdyz se na nej podivas s pohledu zapojeneho v rozdelovaci z leva tak prvni a druhy je 4.4v a ten treti je tech 12v)
Dalsi problem ktery se mi naskytl je ze rele benzinu je stale sepnute a bzuci mi krokovy motorek dost hlasite i pri vymene krokace to bzuci.
zkousel jsem tedy vzit cidlo a ono nekdy slo tak mi spinalo druhe rele na palivo a davalo mi to benzin jinak ne a pri toceni motorem to vlastne taky nedodava benzin.
takze zhrnu problemy na vstrikach 4.2v na rozdelovaci 2x 4.2v a 1x 12.8v pak bzuci krokovy motorek protoze je seple rele benzinu a posledni vec je ta ze mi diagnostika vypsala chybu 1230 (coz je spatne napajeni na rele cerpadla a ridici jednotky)
zrejme se asi vyznas tak jake napeti by tedy melo byt na tech vstricich a na tom rozdelovaci jsem elektrikar slaboproud ale tady si nejsem poradne jist neni to pro me cizi ale podle me civka s 4.4v udela max 5 kv coz je malo pro vyboj, vyboj je od 22kv a vyse...
Dekuji za jakoukoliv radu diky moc za schema
Re: Nestartuje-při 4500 ot. začne přeskakovat jako při 6500.
Ahoj mam Vectru 1.8 benzin s cipnutym motorem a nedavno mi zaclo delat v podstate to same co tobe jenom s tim rozdilem ze me startuje uplne v pohode ale uz kdyz se rozjizdim na jednicku tak to netahne tak jak by melo a kdyz dosahnu 4500 otacek motor zacne skubat jako kdybych tocil az do omezovace tak taky zacinam patrat po pricine.. zkusim zmerit tlak v systemu jestli neni cerpadlo slabe nebo mozna vaha vzduchu.. a neprisel uz si nahodou na to proc to dela nebo delalo tobe?