combo 98 1.7 D

1993-2000

Moderátor: Moderátoři

Odpovědět
jerris
Příspěvky: 2
Registrován: 31 pro 2011, 15:35

combo 98 1.7 D

Příspěvek od jerris »

Zdravím, přestalo mi jít žhavení. Kde se prosím nachází relé žhavení,nebo jednotka žhavení,nebo čidlo teploty.Dík
Reklama
 

jerris
Příspěvky: 2
Registrován: 31 pro 2011, 15:35

Re: combo 98 1.7 D

Příspěvek od jerris »

dík za radu
Uživatelský avatar
denny
Příspěvky: 785
Registrován: 09 úno 2009, 21:08
Bydliště: Brozany u Pardubic

Re: combo 98 1.7 D

Příspěvek od denny »

Se sem přihlásíš na Silvestra odpoledne a hned tu začneš machrovat,že ti nikdo hned neporadí.Na Novej rok taky lidi odpočívaj.
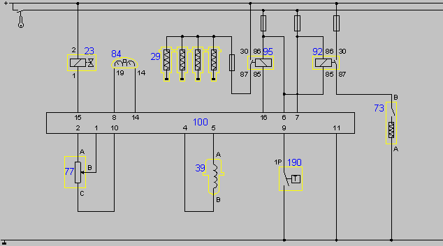
Je to relé v prostoru motoru,jeho cívka je napájena z pojistky číslo 18\20A\,kostru na cívku posílá řídící jednotka diesel.
Jednotka -100
Relé-95
Žhaváky-29
Přílohy
ro_mm803_gif_dba_romania.gif
ro_mm803_gif_dba_romania.gif (7.45 KiB) Zobrazeno 3321 x
Odpovědět

Zpět na „Corsa B“